kurierzy, paczkomaty
z największą starannością
online kartą lub przelewem
HATZ 1D41 1D50 cewka ładowania 01440710 12V
Opis
Opis przedmiotu:
- Producent - niemiecka firma HATZ.
- Numer katalogowy: 01440710
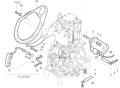
- Pozycja nr 12 z karty katalogowej (drugie zdjęcie)
- Zastosowanie: silniki HATZ serii 1D41 1D50
- Regulator oryginalny, fabrycznie nowy.




