kurierzy, paczkomaty
z największą starannością
online kartą lub przelewem
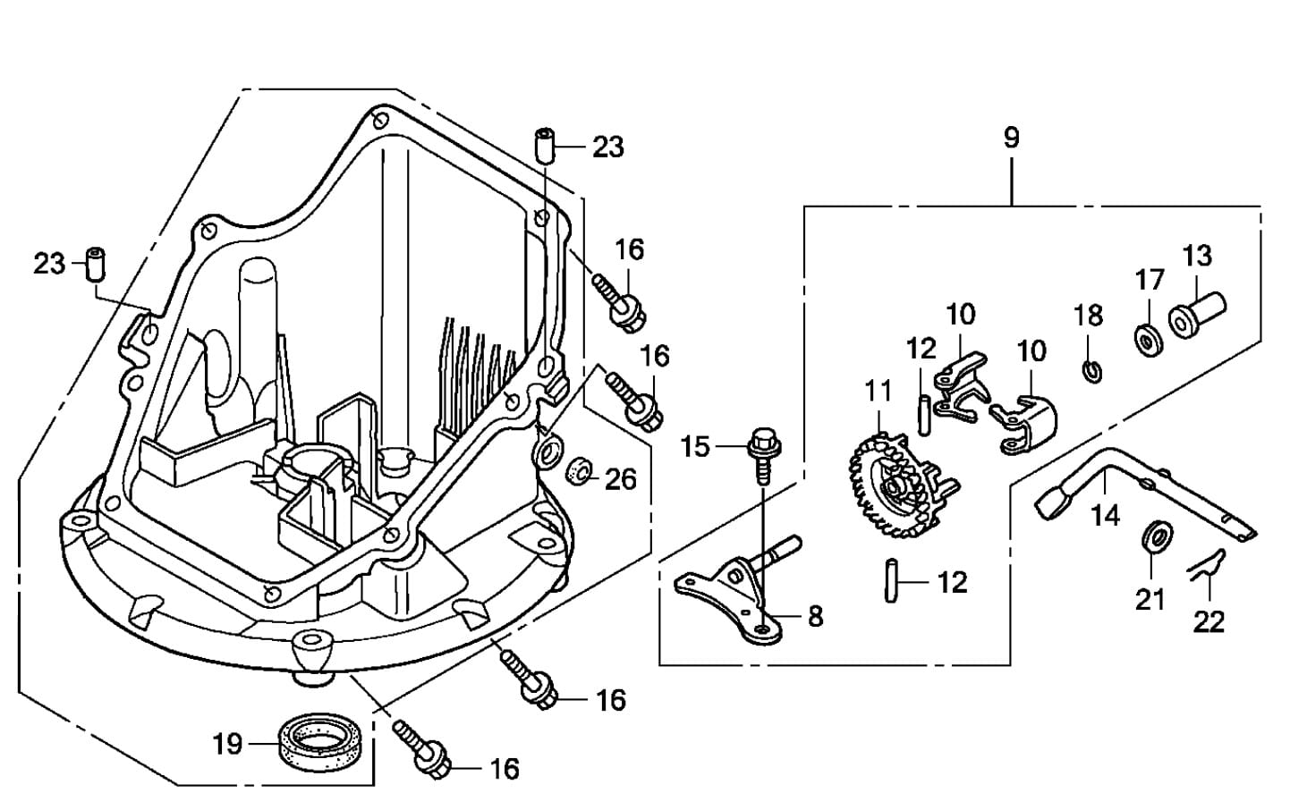
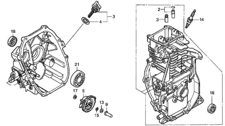
HONDA GX100 GX120 GX160 GXR120 GCV GC popychacz regulatora obrotów 16531-ZE1-000
Opis
Opis przedmiotu:
- Producent: HONDA
- Numer katalogowy: 16531-ZE1-000
- Pozycja nr 9 z karty katalogowej (drugie zdjęcie)
- Pozycja nr 13 z karty katalogowej (trzecie zdjęcie)
- Pozycja nr 7 z karty katalogowej (czwarte zdjęcie)
- Zastosowanie: silniki HONDA GX100 GX120 GXR120 GX160 GX200 GC135 GC160 GC190 GS160 GS190 GCV135 GCV160 GVC190
- Część oryginalna, fabrycznie nowa.




