kurierzy, paczkomaty
z największą starannością
online kartą lub przelewem
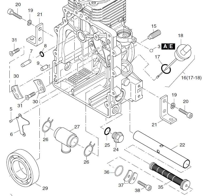
HATZ 1B40 łożysko wału 50478900
Opis
Opis przedmiotu:
- Producent - HATZ.
- Numer katalogowy: 50478900
- Pozycja nr 29 z karty katalogowej (drugie zdjęcie)
- Zastosowanie: silniki HATZ 1B40 1B50
- Łożysko oryginalne, fabrycznie nowe.




