kurierzy, paczkomaty
z największą starannością
online kartą lub przelewem
HATZ seria L filtr paliwa z odstojnikiem 50345700
Opis
Opis przedmiotu:
- Producent - niemiecka firma HATZ.
- Numer katalogowy: 50345700
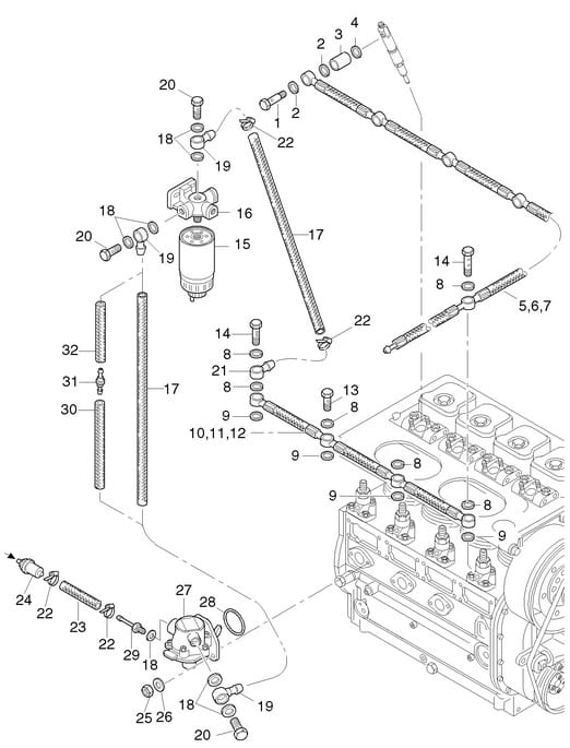
- Pozycja nr 15 z karty katalogowej (drugie zdjęcie)
- Zastosowanie: silniki HATZ 2L30 3L30 4L30 2L40 3L40 4L40 2L31 3L31 4L31 2L41 3L41 4L41
- Filtr oryginalny, fabrycznie nowy.




