kurierzy, paczkomaty
z największą starannością
online kartą lub przelewem
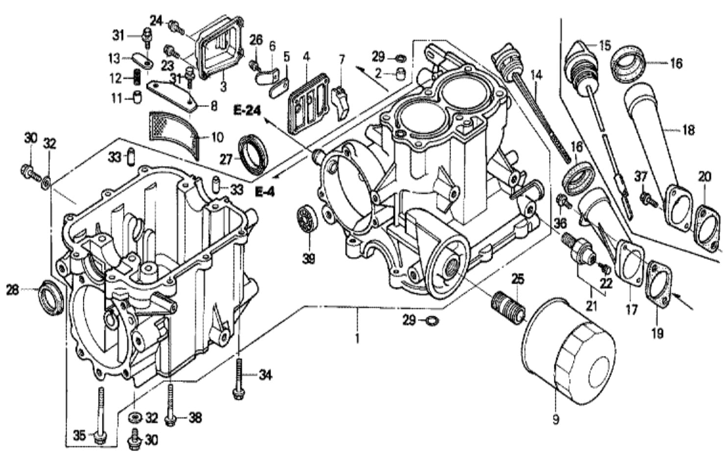
HONDA GX360 simmering wału 91205-ZA0-003
Opis
Opis przedmiotu:
- Producent - HONDA.
- Numer katalogowy: 91205-ZA0-003
- Rozmiar: 30x44x7
- Pozycja nr 28 z karty katalogowej (drugie zdjęcie)
- Zastosowanie: silniki HONDA GX360
- Uszczelniacz oryginalny, fabrycznie nowy.




