kurierzy, paczkomaty
z największą starannością
online kartą lub przelewem
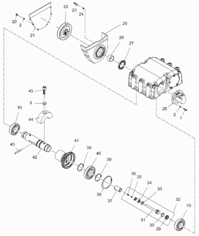
WACKER DPU BPU uszczelniacz koła wibracji 0048854
Opis
- Producent - WACKER NEUSON.
- Numer katalogowy: 0048854
- Pozycja nr 27 z karty katalogowej (drugie zdjęcie)
- Rozmiar: 48x72x8
- Zastosowanie: zagęszczarki WACKER DPU3545 DPU4045 DPU5045 DPU6055 BPU3545 BPU4045 BPU5045 DPU4545 DPU5545 DPU6555 i inne
- Część fabrycznie nowa.




