kurierzy, paczkomaty
z największą starannością
online kartą lub przelewem
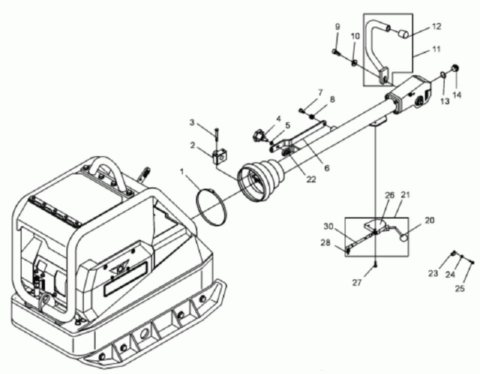
WACKER DPU linka gazu z manetką 0103538
Opis
Opis przedmiotu:
- Producent - niemiecka firma WACKER
- Numer katalogowy: 0103538
- Pozycja nr 21 z karty katalogowej (drugie zdjęcie)
- Długość linki: ~1,7 metra (do zagęszczarek z okrągłym dyszlem, z silnikiem Hatz 1D..)
- Zastosowanie: zagęszczarki rewersyjne WACKER serii DPU4045 DPU4545 DPU5045 DPU5545 DPU6055 DPU6555
- Linka oryginalna, fabrycznie nowa.
- Cena dotyczy kompletu.




